Напиши нова тема Отговори на тема  [ 2 мнения ] 
До хората разбиращи от електроника 
Автор Съобщение
Regular User
Аватар

Регистриран на: Събота, 09.02.2008 г. 02:12 ч.
Мнения: 1090
Местоположение: Stara Zagora
Automobile: Wartburg 353S
Мнение До хората разбиращи от електроника
Здравейте колеги, темата се отнася до Вартбург, но я пускам в този подфорум за да я видят повече хора, понеже въпроса е ориентиран към някой който доста разбира от електроника.
Най-общо казано проблема е следния - имам си на Вартбурга оборотомер, беше направен по познатата схема - сигнала се взима от 2 от бобините, за да се изравнят импулсите с тези на 4 цилиндров 4 тактов двигател, съответно с два диода 1000 волта, които да спират обратния ток. Схемата работи почти безотказно 4 години.
Това лято обаче си напазарувах от щатите един оборотомер - Autometer, дето се вика най-после нещо по-истинско. Тази фирма прави уреди за хот роди и прочие техни извращения.
Добре обаче какво се получава: Връзвам го аз, паля и ми показва оборотите наполовина, а е в режим за 4 цилиндров двигател.
При което аз реших че имам избил диод и ги подмених изцяло, като дори запоих три диода за да взимам сигнал от трите бобини и оборотомера да работи в режим 6 цилиндъра. Да ама не - закачен само към едната бобина показва обороти на половина-ОК, закачен на двете бобини ПАК показва оборотите наполовина??? Закачен към трите бобини - не показва нищо. Консултирах се с бат Наско и той каза че това е така защото като закача и трите бобини се получава момент в който трите чукчета са затворени и оборотомера го отчита като един дълъг импулс т.е. веригата е постоянно затворена и затова не отчита нищо.
Въпроса е защо при закачени 2 бобини обаче пак отчита наполовина? Може би пак се получава период в който чукчетата се застъпват и оборотомера го отчита като дълъг импулс, но този път имаме прекъсване понеже третата бобина не е свързана.
Тук обаче изниква загадката - защо тази схема работеше безотказно на стария оборотомер?
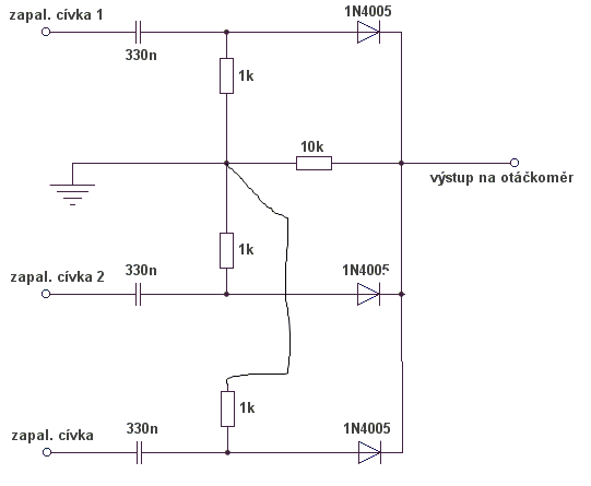
Наско ми предложи да направя ето тази схема като с нея би трябвало всичко да работи.
Моля някой компетентен в областа да разясни какво се случва :)
Също така ме интересува каква роля играят кондензаторите в по-долната схема.


Прикачени файлове:
otackomer edit.png
otackomer edit.png [ 5.06 KiB | Прегледано 4881 пъти ]
Вторник, 18.01.2011 г. 01:27 ч.
Профил
Вече прави дребни ремонти
Аватар

Регистриран на: Неделя, 10.02.2008 г. 03:29 ч.
Мнения: 125
Местоположение: Казанлък
Мнение Re: До хората разбиращи от електроника
Кондензаторът и резисторът представляват диференцираща RC верига.При тези вериги се формират къси островърхи импулси от по-продължителни входни импулсни сигнали.Един вид скъсяват входният сигнал. Едната причина да не показва вярно оборотомера е,че не се получава правилен импулс от схемата.Трябва да се смятат стойностите на кондензаторът и резисторът,или трябва да се чете упътването на оборотомера.

_________________
Жена и ръжда тръгнат ли спиране няма.


Вторник, 18.01.2011 г. 23:50 ч.
Профил
Покажи мненията от миналия:  Сортирай по  
Напиши нова тема Отговори на тема  [ 2 мнения ] 


Кой е на линия

Потребители разглеждащи този форум: 0 регистрирани и 2 госта


Вие не можете да пускате нови теми
Вие не можете да отговаряте на теми
Вие не можете да променяте собственото си мнение
Вие не можете да изтривате собствените си мнения
Вие не можете да прикачвате файл

Търсене:
Иди на:  
cron
Цени на горивата от www.lukoil.bg:

Powered by phpBB © phpBB Group.
Designed by Vjacheslav Trushkin for Free Forum/DivisionCore.
Преведено от: SEO блог на Йоан Арнаудов