Трабант и Вартбург форум
http://www.2tpower.com/forum/

Разходомер
http://www.2tpower.com/forum/viewtopic.php?f=34&t=1241
Страница 1 от 1

Автор:  Turbo [ Събота, 15.11.2008 г. 21:01 ч. ]
Заглавие:  Разходомер

Откакто имам Вартубрг се опитвам да си направя разходомера да работи, но без особен успех. Когато си купих първия Вартбург разходомера му не работеше, смених му турбинката и проработи, но само за известно време, след което пак се развали. В момента имам може би 4-5 турбинки, 3 броя светлинни уреди за таблото и 2 Вартбурга. Пробвал съм всякакви възможни комбинации между тях, но без резултат. Докато карам, без значение колко газ съм подал, на разходомера свети само първата лампичка и втората съвсем бледо. След толкова сменени турбинки реших че проблема може да е в светлинните уреди на таблото и ги разглобих. Направи ми впечатление, че и на 3-те уреда този резистор който съм оградил на снимката се е "изпекъл". От изгорялото не мога да прочета маркировката. Някой има ли идея колко ома е?

Прикачени файлове:
S2023092.JPG
S2023092.JPG [ 71.48 KiB | Прегледано 8791 пъти ]

Автор:  Nasakoto [ Събота, 15.11.2008 г. 21:20 ч. ]
Заглавие:  Re: Разходомер

Колко е точно - не знам, ама можеш да си го проследиш сам :) Извинявай за ниското качество, ама нямам по-хубава.

Прикачени файлове:
kmva_plan.jpg
kmva_plan.jpg [ 46.39 KiB | Прегледано 8930 пъти ]

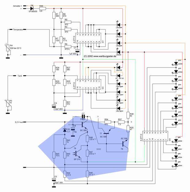
Автор:  Turbo [ Понеделник, 17.11.2008 г. 13:09 ч. ]
Заглавие:  Re: Разходомер

Благодаря много. Това би трябвало резистора R40(най-горе в ляво)

Автор:  353 [ Понеделник, 17.11.2008 г. 19:30 ч. ]
Заглавие:  Re: Разходомер

Ами може да е изгоряла интегралната схема A277D смени я със UAA180
все пак може и други повреди да има. Аз на моя кат я смених проработи, бачкаше няколко месеца след това почнаха да светят как си искат светодиодите. Но от време на време се случва да се оправят. Имаше някаква особеност със захранването, че работи само като е включено в колата. Иначе ако го оправиш може да си смениш последните 2 светодиода, сложи червени вместо жълтите. Става по яко :)

Автор:  Gosho [ Понеделник, 17.11.2008 г. 21:58 ч. ]
Заглавие:  Re: Разходомер

И аз така си мисля , защото за да нагаря така резистора има нещо изгоряло преди него. Най-вероятно да изгаря интеграла.
Според мене ... така и така го отваряш това нещо редовно .... направи го пропорционално на оборотите , а не на миналия бензин. Хем по-полезно , хем по просто и ремонтно пригодно : )))

Автор:  Turbo [ Вторник, 18.11.2008 г. 02:40 ч. ]
Заглавие:  Re: Разходомер

Благодаря за съветите. Ще пробвам да сменя интегралната схема и дано оправя поне единия от уредите. Нямам представа как да го направя да работи пропорционално на оборотите, но ще се радвам да си работи и както си е предвидено. На всеки който се качи в колата трябва да му обяснявам какво е това и защо не работи :D Иначе 353 е прав за червените светодиоди. Единия от уредите ми оригинално на разходомера си е с 5 зелени, 4 оранжеви и 3 червени и изглежда по-добре......когато работи

Страница 1 от 1 Часовете са според зоната UTC + 2 часа [ DST ]
Powered by phpBB © 2000, 2002, 2005, 2007 phpBB Group
http://www.phpbb.com/